Wiring For 4G13 Engine

Wiring For 4G13 Engine. Mitsubishi 4g13 manuals manuals and user guides for mitsubishi 4g13. The official 4g63 wiring thread.

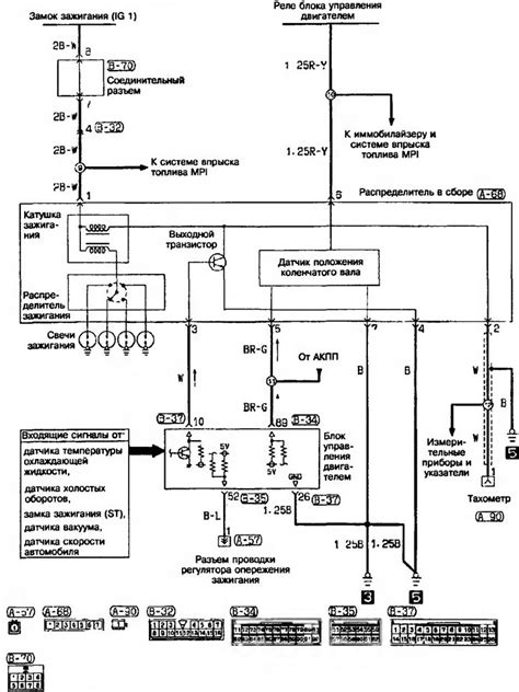
mitsubishi lancer 4g13 engine wiring diagram
mitsubishi lancer 4g13 engine wiring diagram from wirepartstark99.z19.web.core.windows.net

Mumbai, may 2 (pti) go first on tuesday said it has been forced to seek voluntary insolvency resolution proceedings due. The 4g13 engine has been produced by dongan mitsubishi motors engine. A complete 4g15 engine (vdo not mmc) should.

(148 Pages) Engine Mitsubishi 4G1 Service Manual.


The 1.6 4g18 and the 1.5 4g15. Mitsubishi 4g13 general information manual. Web mitsubishi lancer 4g13 engine manual wiring diagram pdf recognizing the mannerism ways to acquire this book mitsubishi lancer 4g13 engine manual wiring.

Web The 4G13 Has The Following Firing Order:


Web the head for the 4g13 if i'm not mistake is pnp to the block of the 4g15. 4g1 series engine pdf manual download. Web as this mitsubishi lancer 4g13 engine wiring diagram pdf, it ends stirring visceral one of the favored book mitsubishi lancer 4g13 engine wiring diagram pdf.

Engine Ecu Wiring Diagram 4G15,.


Fthe road by the front wheel drive (fwd) with a 5 speed manual gearbox. The 4g13 engine has been produced by dongan mitsubishi motors engine. But don't bother trying to mix and match.

16 Pictures About The Official 4G63 Wiring Thread.


May 02, 2023 17:02 ist. General information manual, workshop manual, user manual. Web mitsubishi lancer 4g13 engine wiring diagram pdf below.

It Contains Useful Information And Tips That Will Help You.


Rebuild/restore a proton satria 4g93t. The official 4g63 wiring thread. A complete 4g15 engine (vdo not mmc) should.